CLHW

Información del Producto

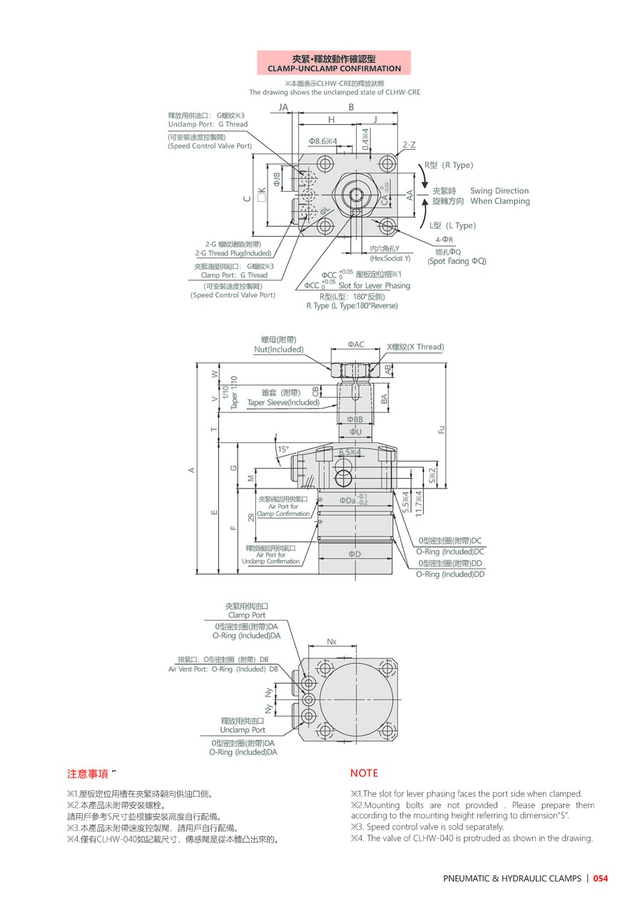
The CLHW series utilizes air sensing mechanisms by detecting the differential pressure to achieve action confirmation, allowing safe and efficient loading/unloading of the workpiece. With the integration of the built-in sensor valves, the CLKW series has taken a new and improved compact design and is most suitable for achieving automation.

Max. operating pressure: 70 kgf/cm²
Min. operating pressure: 15 kgf/cm²
NOTE:
The speed of clamping and unclamping action needs to be slowed down appropriately.
Action confirmation can be conducted by detecting differential pressure with the air sensor.
Please keep clearance of the air exhaust hole to prevent the intrusion of coolant and chips.
Make sure to supply constant air pressure to the air port when in use.

P.S.
Recommended Operating Air Pressure 01~0.2MPa. Air Sensor: ISA2-HE45N(SMC).

Indicación de Compra

CLHW
048
C
R
E

Información del Producto

Modelo CLHW-040 CLHW-048 CLHW-055 CLHW-065 CLHW-075
Clamping Force(70kgf/cm²) 350 486.5 721 938 1421
Swing Stroke(mm) 6.5 7.5 8.5 10 12
Clamping Stroke(mm) 8 8 10 10 12
Total Stroke(mm) 14.5 15.5 18.5 20 24
Cylinder Capacity Clamp(cm³) 10.9 16.7 28.1 40.9 72.5
Cylinder Capacity Unclamp(cm³) 7.3 10.8 19 26.7 48.7
EFF. Piston Area Clamp(cm²) 7.54 10.75 15.2 20.42 30.18
EFF. Piston Area Unclamp(cm²) 5 6.95 10.3 13.4 20.3
Range of Temperature(°C) 0~+70°C 0~+70°C 0~+70°C 0~+70°C 0~+70°C

Descargar Documentos